MC-S50R80R

一、特点:
● 工作电压宽
● 继电器常开、常闭输出
● 抗可见光和荧光灯干扰
● 具有同步信号线,抗相互干扰
● 最多允许10只并排安装使用

资料下载,请点击图片

 
 
二、技术指标:

参   数

漫反射式

镜反射式

MC-S50R80R

MC-S50R80R

检测距离

80厘米

8米

检测物体类型

不透明物体

连接方式

1.2米电缆线

电源电压

8~15VDC

光  源

940nm红外线调制光

控制输出

继电器常开、常闭输出

灵敏度调节

可调

最大输出电流

3A

静态/工作电流

小于 5mA/65mA

响应时间

25毫秒

电源极性反接保护

内置

绝缘电阻

大于50MΩ

动作指示灯

红色LED

环境温/湿度

-25℃至55℃ / 35%至90% 相对湿度

环境光强

日光:10,000lx,白炽灯光:3,000lx

 
 
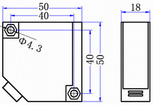
三、外形尺寸和接线图:
 
    
 
地址:福建省南平市马坑支路42号 邮编:353000
电话:0599-8625261   8638090    8638091
传真:0599-8613626  Email:ST288A@163.com
返回