一、概
述:
该器件是为红外遥控和其它传感用途而设
计的,其特点是灵敏度高、暗电流小、线性好、
响应速度快、采用抑制可见光的滤光封装,它
可与GaAs、GaAlAs系列红外发光二极管配对
使用,广泛应用于仪器、仪表、电气设备近红外
光数据传输接收,光电开关光电转换、电视机、
空调机、录像机、等家用电器红外遥控信号接收
|
资料下载,请点击图片
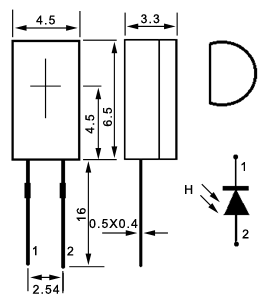
外形尺寸及内部电路示意图 |
| 二、主要技术参数
极限参数
(Ta=25℃)
|
参
数
|
符号
|
值
|
单位
|
|
反向电压
|
VR
|
35
|
V
|
|
正向电流-连续
|
IF |
100
|
mA
|
|
总耗散功率
Ta=25℃
大于25℃时减额值
|
PD |
150
3.3
|
mW
mW/℃
|
|
工作环境温度
|
Ta
|
-30∽70
|
℃
|
|
引脚焊接温度(距引脚根部4mm,时间最大5s)
|
TL
|
260
|
℃
|
|
电气特性 (Ta=25℃)
|
特 性
|
符号
|
最小
|
典型
|
最大
|
单位
|
|
反向暗电流(VR=10V,H=0)
|
ID
|
-
|
-
|
50
|
nA
|
|
电容(F=1MHZ,V=0)
|
CJ
|
-
|
90
|
-
|
PF
|
|
光电特性 (Ta=25℃)
|
特 性
|
符号
|
最小
|
典型
|
最大
|
单位
|
|
峰值波长
|
λP
|
-
|
940
|
-
|
nm
|
|
反向光电流(λ=940nm,VR=5V
H=5mW/cm,CT=2870°K)
|
IL |
-
|
50
|
-
|
uA
|
|
短路电流(H=5mW/cm,
CT=2870°K)
|
Isc
|
40
|
|
-
|
uA
|
|
开路电流(H=5mW/cm,
CT=2870°K)
|
VL |
-
|
0.3
|
-
|
V
|
|
开通时间(VR=10V,RL=1KΩ )
|
Ton
|
-
|
50
|
-
|
ns
|
|
关断时间(VR=10V,RL=1KΩ)
|
Toff |
-
|
50
|
-
|
ns
|
|
| |
| |
| 地址:福建省南平市马坑支路42号 邮编:353000 |
电话:0599-8625261 8638090 8638091
|
|
|
| 返回 |